Product Summary
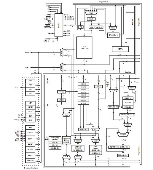
The TMS320LC206PZA80 is a digital signal processor. It is fabricated with static CMOS integrated-circuit technology. The architectural design is based upon that of the TMS320LC206PZA80 and is optimized for low power operation. The combination of advanced Harvard architecture, on-chip peripherals, on-chip memory, and a highly specialized instruction set is the basis of the operational flexibility and speed of the TMS320LC206PZA80.
Parametrics
TMS320LC206PZA80 absolute maximum ratings: (1)Supply voltage range, VDD:-0.3 V to 4.6 V; (2)Supply voltage range, VDD5:-0.3 V to 7 V; (3)Input voltage range:-0.3 V to 4.6 V; (4)Output voltage range:-0.3 V to 4.6 V; (5)Operating free-air temperature range:-40℃ to 85℃; (6)Storage temperature range:-55℃ to 150℃.
Features
TMS320LC206PZA80 features: (1)High-Performance Static CMOS Technology; (2)TMS320C206, TMS320LC206 are Members of the ’C20x/’C2000 Platform Which Also Includes the TMS320C203/LC203 and TMS320F206 Devices; (3)Instruction-Cycle Time 25 ns at 3.3 V; (4)Source Code Compatible With TMS320C25 and other ’20x Devices; (5)Four External Interrupts; (6)TMS320LC206, 3.3-V core and I/O; (7)32-Bit Arithmetic Logic Unit (ALU) Accumulator; (8)16 × 16-Bit Multiplier With a 32-Bit Product; (9)Block Moves from Data and Program Space; (10)On-Chip 20-Bit Timer; (11)On-Chip Software-Programmable Wait-State (0 to 7) Generator; (12)On-Chip Oscillator; (13)On-Chip Phase-Locked Loop (PLL); (14)Six General-Purpose I/O Pins; (15)Full-Duplex Asynchronous Serial Port(UART); (16)Enhanced Synchronous Serial Port(ESSP) With Four-Level-Deep FIFOs; (17)Support of Hardware Wait States; (18)Power Down IDLE Mode; (19)IEEE 1149.1-Compatible Scan-Based Emulation; (20)TMS320C206, TMS320LC206 100-Pin PZ Package, Small Thin Quad Flat Package(TQFP); (21)Industrial Temperature Version Planned,(– 40℃ to 85℃).
Diagrams

| Image | Part No | Mfg | Description | ![]() |
Pricing (USD) |
Quantity | ||||||||||||
|---|---|---|---|---|---|---|---|---|---|---|---|---|---|---|---|---|---|---|
![]() |
![]() TMS320LC206PZA80 |
![]() Texas Instruments |
![]() Digital Signal Processors & Controllers (DSP, DSC) Digital Signal Proc |
![]() Data Sheet |
![]()
|
|
||||||||||||
| Image | Part No | Mfg | Description | ![]() |
Pricing (USD) |
Quantity | ||||||||||||
![]() |
![]() TMS3112 |
![]() Other |
![]() |
![]() Data Sheet |
![]() Negotiable |
|
||||||||||||
![]() |
![]() TMS3121 |
![]() Other |
![]() |
![]() Data Sheet |
![]() Negotiable |
|
||||||||||||
![]() |
![]() TMS320 |
![]() Other |
![]() |
![]() Data Sheet |
![]() Negotiable |
|
||||||||||||
![]() |
![]() TMS32010 |
![]() Other |
![]() |
![]() Data Sheet |
![]() Negotiable |
|
||||||||||||
![]() |
![]() TMS320AV7110 |
![]() Other |
![]() |
![]() Data Sheet |
![]() Negotiable |
|
||||||||||||
![]() |
![]() TMS320BC51PQ100 |
![]() Texas Instruments |
![]() Digital Signal Processors & Controllers (DSP, DSC) TMS320C51PQ - 132QFP - 100MHZ/BOOT CODE |
![]() Data Sheet |
![]() Negotiable |
|
||||||||||||
(Singapore)










