Product Summary
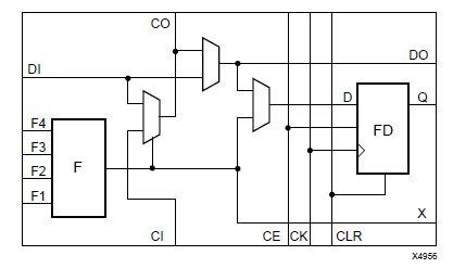
The XC5210-3PQ208C Field-Programmable Gate Array is engineered to deliver low cost. Building on experiences gained with three previous successful SRAM FPGA families, the XC5210-3PQ208C brings a robust feature set to programmable logic design. The VersaBlock. logic module, the VersaRing I/O interface, and a rich hierarchy of interconnect resources combine to enhance design flexibility and reduce time-to-market. Complete support for the XC5210-3PQ208C is delivered through the familiar Xilinx software environment. The XC5210-3PQ208C is fully supported on popular workstation and PC platforms. Popular design entry methods are fully supported, including ABEL, schematic capture, VHDL, and Verilog HDL synthesis. Designers utilizing logic synthesis can use their existing tools to design with the XC5210-3PQ208C.
Parametrics
XC5210-3PQ208C absolute maximum ratings: (1)VCC Supply voltage relative to GND: -0.5 to +7.0 V; (2)VIN Input voltage with respect to GND: -0.5 to VCC +0.5 V; (3)VTS Voltage applied to 3-state output: -0.5 to VCC +0.5 V; (4)TSTG Storage temperature (ambient): -65 to +150 ℃; (5)TSOL Maximum soldering temperature (10 s @ 1/16 in. = 1.5 mm): +260 ℃; (6)TJ Junction temperature in plastic packages: +125 ℃; (7)Junction temperature in ceramic packages: +150 ℃.
Features
XC5210-3PQ208C features: (1)Low-cost, register/latch rich, SRAM based reprogrammable architecture; (2)System Level Features; (3)Versatile I/O and Packaging; (4)Fully Supported by Xilinx Development System.
Diagrams

![]() |
![]() XC5200 |
![]() Other |
![]() |
![]() Data Sheet |
![]() Negotiable |
|
||||
![]() |
![]() XC5200 Series |
![]() Other |
![]() |
![]() Data Sheet |
![]() Negotiable |
|
||||
![]() |
![]() XC5202-6PC84C |
![]() |
![]() IC FPGA 64 CLB'S 84-PLCC |
![]() Data Sheet |
![]() Negotiable |
|
||||
![]() |
![]() XC5206-5PC84C |
![]() |
![]() IC FPGA 196 CLB'S 84-PLCC |
![]() Data Sheet |
![]() Negotiable |
|
||||
![]() |
![]() XC5206-5PQ160C |
![]() |
![]() IC FPGA 196 CLB'S 160-PQFP |
![]() Data Sheet |
![]() Negotiable |
|
||||
![]() |
![]() XC5206-5PQ208C |
![]() |
![]() IC FPGA 196 CLB'S 208-PQFP |
![]() Data Sheet |
![]() Negotiable |
|
||||
(Singapore)









