Product Summary
The SN75976A2DLR is a 9-channel differential transceiver. It is offered in two versions. The SN75976A2DLR skew limits of 4 ns for the differential drivers and 5 ns for the differential receivers complies with the recommended skew budget of the Fast-20 SCSI standard for data transfer rates up to 20 million transfers per second. The SN75976A2DLR supports the Fast SCSI skew budget for 10 million transfers per second.
Parametrics
SN75976A2DLR absolute maximum ratings: (1)Supply voltage range, VCC: –0.3 V to 6 V; (2)Bus voltage range: –10 V to 15 V; (3)Data I/O and control (A side) voltage range: –0.3 V to VCC +0.5 V; (4)Electrostatic discharge:B side and GND, Class 3, A: 12 kV; B ; (5)Storage temperature range, Tstg: –65℃ to 150℃; (6)Lead temperature 1,6 mm (1/16 inch) from case for 10 seconds: 260℃.
Features
SN75976A2DLR features: (1)Improved Speed and Package Replacement for the SN75LBC976; (2)Designed to Operate at up to 20 Million Data Transfers per Second (Fast-20 SCSI); (3)Nine Differential Channels for the Data and Control Paths of the Small Computer Systems Interface (SCSI) and Intelligent Peripheral Interface (IPI); (4)Two Skew Limits Available; (5)ESD Protection on Bus Terminals Exceeds 12 kV; (6)Low Disabled Supply Current 8 mA Typ; (7)Thermal Shutdown Protection; (8)Positive- and Negative-Current Limiting; (9)Power-Up/Down Glitch Protection.
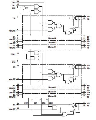
Diagrams

| Image | Part No | Mfg | Description | ![]() |
Pricing (USD) |
Quantity | ||||||||
|---|---|---|---|---|---|---|---|---|---|---|---|---|---|---|
![]() |
![]() SN75976A2DLR |
![]() Texas Instruments |
![]() Buffers & Line Drivers 9-Channel Diff Transceiver |
![]() Data Sheet |
![]()
|
|
||||||||
![]() |
![]() SN75976A2DLRG4 |
![]() |
![]() IC 9-CHAN DIFF TXCVR 56-SSOP |
![]() Data Sheet |
![]()
|
|
||||||||
(Singapore)









