Product Summary
The TE28F800B3TA90 is an Advanced Boot Block flash memory. It is optimized for low power, portable systems. The TE28F800B3TA90 features 1.65 V–2.5 V or 2.7 V–3.6 V I/Os and a low VCC/VPP operating range of 2.7 V–3.6 V for read, program, and erase operations. In addition this family is capable of fast programming at 12 V.
Parametrics
TE28F800B3TA90 absolute maximum ratings: (1)Operating Temperature: –40 to +85℃; (2)Storage Temperature: –65 to +125℃; (3)Voltage on Any Pin: –0.5 V to 3.7 V; (4)VPP Voltage: –0.5 V to +13.5 V; (5)VCC and VCCQ Supply Voltage: –0.2 V to +3.7 V; (6)Output Short Circuit Current: 100 mA.
Features
TE28F800B3TA90 features: (1)Flexible SmartVoltage Technology; (2)2.7 V or 1.65 V I/O Option; (3)High Performance; (4)Optimized Block Sizes; (5)Top or Bottom Locations; (6)Block Locking: VCC-Level Control through WP#; (7)Low Power Consumption; (8)Absolute Hardware-Protection; (9)Extended Temperature Operation; (10)Flash Data Integrator Software; (11)Automated Program and Block Erase; (12)Extended Cycling Capability; (13)Automatic Power Savings Feature; (14)Standard Surface Mount Packaging; (15)Footprint Upgradeable; (16)ETOX VI Flash Technology.
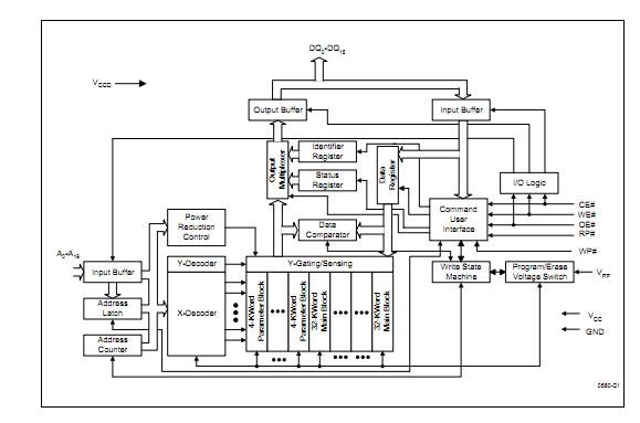
Diagrams

![]() |
![]() TE28F004S3-150 |
![]() Other |
![]() |
![]() Data Sheet |
![]() Negotiable |
|
||||
![]() |
![]() TE28F004S5-100 |
![]() Other |
![]() |
![]() Data Sheet |
![]() Negotiable |
|
||||
![]() |
![]() TE28F004SC-100 |
![]() Other |
![]() |
![]() Data Sheet |
![]() Negotiable |
|
||||
![]() |
![]() TE28F008B3B120 |
![]() Other |
![]() |
![]() Data Sheet |
![]() Negotiable |
|
||||
![]() |
![]() TE28F008B3BA110 |
![]() Other |
![]() |
![]() Data Sheet |
![]() Negotiable |
|
||||
![]() |
![]() TE28F008SA-100 |
![]() Other |
![]() |
![]() Data Sheet |
![]() Negotiable |
|
||||
(Singapore)








